Sous-sections
Connectique LPC1769
Schématique
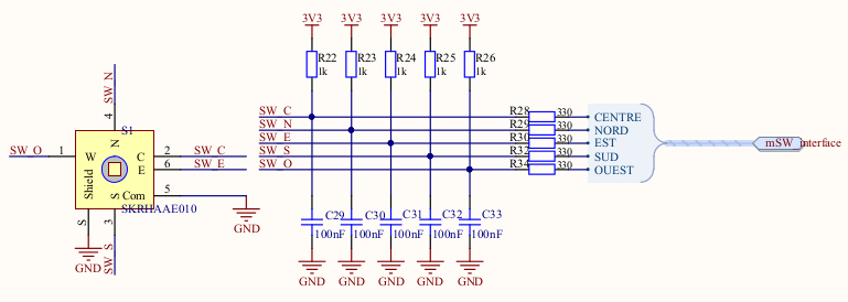
Joystick
Connectique LPC1769
Port LPC1769
Signal
Fonction
P1.19
mSW_C
GPIO
P1.20
mSW_N
GPIO
P1.21
mSW_E
GPIO
P1.22
mSW_S
GPIO
P1.23
mSW_O
GPIO
Schématique
Référence:
SKRHAAE010